Ningbo Divege टेक्नोलोजी कण, लिमिटेड।
Ningbo Divege टेक्नोलोजी कण, लिमिटेड।
उत्पादनहरू
उत्पादनहरू
Zn12-12 श्रृंखला एसीयूराइन्ड स्तम्भ स्विच रिप्ले सर्किट ब्रेकर
  • Zn12-12 श्रृंखला एसीयूराइन्ड स्तम्भ स्विच रिप्ले सर्किट ब्रेकरZn12-12 श्रृंखला एसीयूराइन्ड स्तम्भ स्विच रिप्ले सर्किट ब्रेकर
  • Zn12-12 श्रृंखला एसीयूराइन्ड स्तम्भ स्विच रिप्ले सर्किट ब्रेकरZn12-12 श्रृंखला एसीयूराइन्ड स्तम्भ स्विच रिप्ले सर्किट ब्रेकर

Zn12-12 श्रृंखला एसीयूराइन्ड स्तम्भ स्विच रिप्ले सर्किट ब्रेकर

Model:ZN12-12
ZN12-12 श्रृंखला indoor Ac HV भ्याकुम सर्किट ब्रेकरले तीनौं चरण 300 z 6 12kv को भौतिकचाललाई रेजिंक्टिवेश ल्याएको छ। यो सबै प्रकारको लोड र बारम्बार अपरेशनको साथ उपयुक्त छ, र औद्योगिक र खानी, उद्यम, शक्ति बोट र सब्चालित विद्युतीय सुविधाहरूको संरक्षण र नियन्त्रणको लागि प्रयोग गर्न सक्दछ। यो उत्पादन GB198444, JB3855, jb3855, DL403 र IEC मापदण्डको सम्बन्धित आवश्यकता अनुसार हो।

Zn12-12 श्रृंखला एसीयूराइन्ड स्तम्भ स्विच रिप्ले सर्किट ब्रेकर

  ZN12-12 इनड्रोर उच्च भोल्टेजर्जी सर्किट ब्रेकर रेटेडर र निम्न इनडोर उच्च भोल्टेज रयूको भोल्टेज, पावर र निकै निहित उद्यम र स्थानको लागि उपयुक्त छ।

  ZN12 श्रृंखला सर्कल सर्किट ब्रेकरहरू 12 किभ, 2 kk केभ, 2K केभी, र 40kv, र तीन-चरण Ac00 बजे हो। यो एक घरेलु उत्पादन हो जर्मन सिम्सानी 3000 को संचालित टेक्नोलोजी। सर्किट ब्रेकरको अपरेटिंग अपरिवर्तन प्रकार, जुन एसी वा डीसी वा म्यानुअली संचालित हुन सक्छ। सर्किट ब्रेकरसँग साधारण संरचना, कडा ब्रेकिंग क्षमता, लामो सेवा जीवन र पूर्ण अपरेशन कार्यहरू छन्। र त्यहाँ विस्फानको कुनै खतरा छैन, र मर्मत सरल छ। यो शक्ति प्रसारण र वितरण प्रणालीहरूको नियन्त्रण र वितरण प्रणालीहरू जस्तै पावर प्लान्ट, प्रतिस्थापन र औद्योगिक र दाँयेरको उद्यमहरू, विशेष गरी महत्त्वपूर्ण भार र अक्सर अपरेशनका लागि उपयुक्त छ। स्विच क्याबिनेटमा सर्किट ब्रेकरको स्थापना फारम या त एक निश्चित प्रकार वा एक निकासी प्रकार सर्किट ब्रेकर हुन सक्छ


लाभ:

1. सर्किट ब्रेकरले मेलबन्दी मन्त्रालयको मूल्यांकनलाई अगस्टमा डिस्चार्ज बिताइसकेको छ, जसको मतलब गुणस्तरीय ग्यारेन्टी गरिएको छ।

सर्किट ब्रेमर संयन्त्र स्विचसँग एकीकृत गरिएको छ, र विशेष वसन्त ऊर्जा भण्डारण प्रकार एसी र डीसी उर्जा भण्डारण वा म्यानुअली संचालित हुन सक्छ।

साधारण संरचना, कडा ब्रेकि ing क्षमता, लामो सेवा जीवन, पूर्ण अपरेशन कार्यहरू, शहर भरिने र सुरक्षा प्रणालीको नियन्त्रण वा सुरक्षा प्रणालीको साथ उपयुक्त छ जुन अक्सर अपरेशनसँगै उपयुक्त छ।


सुविधाहरू:

1 चाक विस्तार समितिको ब्रेकिंग क्षमता उच्च छ, हालको बोक्ने क्षमता कम छ, र विद्युतीय जीवन लामो छ।

2 मोरआउट अगाडि पछाडि पछाडि, सरल र कम्प्याक्ट संरचना, पूर्ण अपरेशन र सजिलो मर्मतसम्भार।






आधारभूत जानकारी।



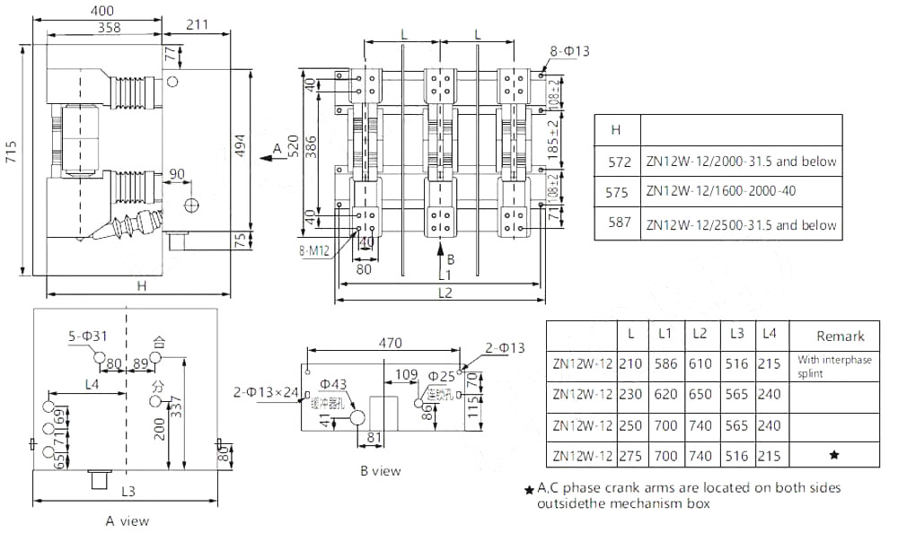
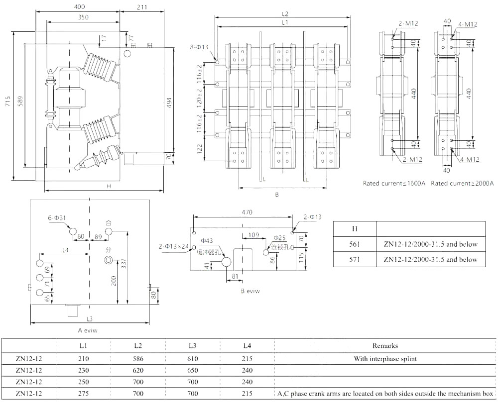
प्राविधिक प्यारामिटरहरू



प्राविधिक रेखाचित्र


Zn12-12 एकीकृत स्तम्भ ongerember स्विच स्किन सर्किट ब्रेकरर 1 को उपयोग सर्तहरू। उचाई: ≤1000 मीटर; (प्रोटोटाइपको उचाइ 4000 मिटर तल पुग्न सक्छ)

2 परिवेश तापमान: उच्चतम + 400 डिग्री सेल्सियस, न्यून -25 डिग्री सेल्सियस;

। सापेक्ष आर्द्रता: दैनिक औसत %%% भन्दा बढी होइन, मासिक औसत 90 0% भन्दा बढी होइन;

। भूकम्प तीव्रता: 8 भन्दा कम;

। स्थापना वातावरण स्थापना गर्नुहोस्: कुनै फायर, विस्फोट जोखिम, कुनै क्षतिविहीन ग्यास र कुनै हिंसात्मक कम्पन स्थान छैन।

। कृपया भ्याकुम सर्किट ब्रेकर निर्माता निर्माता निर्माता क्लिक गर्नुहोस् यदि उपयोग वातावरण माथिको अधिक छ।




सूत्र

Q: के मसँग तपाईंको उत्पादनहरूको मूल्य हुन सक्छ?

उत्तर: स्वागत छ। कृपया यहाँ हामीलाई सोधपुछ गर्न स्वतन्त्र महसुस गर्नुहोस्। हामी तपाईंलाई 2 24 घण्टा भित्रमा जवाफ दिनेछौं।


Q: के म बल्क अर्डरको अघि नमूना प्राप्त गर्न सक्छु?

A: हो, हामी नमूना अर्डरलाई परीक्षण गर्न र चेक इन गर्न सक्षम गर्दछौं। Mixed नमूनाहरू स्वीकार्य छन्।


Q: के हामी उत्पादनहरूमा हाम्रो लोगो / कम्पनी नाम प्रिन्ट गर्न सक्छौं?

A: हो, पक्कै पनि, हामी OEM स्वीकार गर्दछौं, तब तपाईंलाई हामीलाई ब्रान्ड प्राधिकरण प्रदान गर्न आवश्यक छ


Q: तपाइँ उत्पादन अनुकूलन स्वीकार गर्नुहुन्छ?

A: हो, पक्कै पनि, कृपया विशिष्ट रेखाचित्र वा प्यारामिटरहरू प्रदान गर्नुहोस्, हामी मूल्यांकन पछि उद्धृत गर्नेछौं


Q: अग्रणी समय के हो?

A: प्रमुख समय अर्डर गरिएको परिमाणमा निर्भर गर्दछ, सामान्यतया भुक्तानी पछि -2-20 दिन भित्र।


प्रश्न: तपाईंको व्यापार सर्तहरू के हो?

A: हामी EXW, FDB, CIF, FCA, EPC स्वीकार गर्दछौं।


Q: तपाईंको भुक्तानी विधि के हो?  

A: हामी T / t, वेस्टर्न युनियन, PayPal, अपरिवरोक योग्य l / c


Q: के तपाइँ समाप्त उत्पादनहरूको निरीक्षण गर्नुहुन्छ?

A: हो उत्पादन र समाप्त उत्पादनहरू शिपिंग अघि QC विभागले QC विभागले निरीक्षण बाहिर आउनेछ। र हामी ढुवानी अघि तपाईंको सन्दर्भको लागि सामान निरीक्षणहरू प्रदान गर्नेछौं


Q: कसरी बिक्री पछि गुणवत्ता समस्याहरू समाधान गर्ने?

A: गुणवत्ता समस्याहरूको फोटो लिनुहोस् र हाम्रो जाँचको लागि हामीलाई पठाउनुहोस् र पुष्टिको लागि पठाउनुहोस्, हामी तपाईंको लागि days दिन भित्र सन्तुष्ट समाधान गर्नेछौं।




कारखाना


प्रमाणपत्र




हट ट्यागहरू: Zn12-12 श्रृंखलाको एकीकृत स्तम्भ स्विच ब्रेकर, चीन, निर्माता, कारखाना, कम मूल्य, गुणवत्ता, पछिल्लो बिक्री, उन्नत
सोधपुछ पठाउनुहोस्
सम्पर्क जानकारी
  • ठेगाना

    हैन .1083 Zhongshanshunce पूर्व सडक, Yinzhou जिल्ला, ningbo शहर, जेजेयांग प्रान्त, चीन

  • टेलिफोन

    +86-18958965181

  • इ-मेल

    sales@switchgearcn.net

कम भोल्टेज स्विचगियर, उच्च भोल्टेज इन्सुलेटर, उच्च भोल्टेज अर्थिंग स्विच वा मूल्य सूची बारे सोधपुछको लागि, कृपया हामीलाई आफ्नो इमेल छोड्नुहोस् र हामी 24 घण्टा भित्र सम्पर्कमा हुनेछौं।
X
We use cookies to offer you a better browsing experience, analyze site traffic and personalize content. By using this site, you agree to our use of cookies. Privacy Policy
Reject Accept